Corpo caldaia con fascio tubiero immerso nell acqua Portelli coibentati per l ispezione. Buoni motivi per collegare alla caldaia un impianto solare termico. Q-ton la soluzione all avanguardia di Mitsubishi Heavy Industries in grado di garantire benessere, risparmio energetico e qualit della vita. Area riservata Caldaie a condensazione uso domestico Rinnai Mirai ErP.

Gli interventi di manutenzione e i controlli periodici sull impianto autonomo di riscaldamento (caldaia) e di produzione di acqua calda. CARATTERISTICHE COSTRUTTIVE : Caldaie a tre giri di fumo per. Caldaia produzione acqua calda - Pisa - Nobili Impianti - Gallery La ditta Nobili Impianti di Pisa da sempre ricerca prodotti innovativi per il trattamento dell acqua e il riscaldamento, come caldaie a pellet e addolcitori.
Servizio Lo scarico dei fumi di combustione delle caldaie a gas. LIBRETTO : SI (scheda per caldaia, scheda per condizionatore e scheda per pannello). Caldaia a Condensazione: acqua calda a basso costo Le Caldaie a condensazione riscaldano acqua e ambiente in minor tempo e con. RINNAI : Caldaie, asciugabiancheria e scaldabagni Rinnai Italia S.r.l.
Dal 1 settembre 2013 per impianti termici (caldaie da riscaldamento ambienti con o senza produzione di acqua calda) installati ex novo in tutte le tipologie di. Offerte caldaie a gas in vendita a prezzi scontati - Termoidraulica. Prezzi Scaldabagni a Gas Istantanei per produrre acqua calda Scaldabagno a gas per produzione di acqua calda, cucina e bagno di tipo istantaneo. Energetica fino a A a seconda del modello.
Scaldabagni a gas

Caldaie - Fondital Le caldaie Fondital sono disponibili nelle versioni per la produzione di. Gli apparecchi per la produzione di acqua calda sanitaria (scaldacqua. Caldaie murali a condensazione - Buderus Caldaie murali a condensazione, con produzione di ACS istantanea e solo.
NOVA dens Caldaie murali a condensazione da INTERNO Caldaie a condensazione, risparmio garantito e massima ecologia. Cambia la tua caldaia - Immergas L applicazione fornisce un utile indicazione sulla scelta della caldaia all interno della. Acqua calda sanitaria eo riscaldamento, con accumulo o collegamento ad un bollitore. Caldaia acqua calda - Elettrodomestici - Kijiji: Annunci di THESI 3 Condensing e la caldaia per riscaldamento e produzione di acqua calda. Impianto solare termico Buoni motivi Un risparmio notevole Produzione di acqua calda sanitaria Integrazione del.
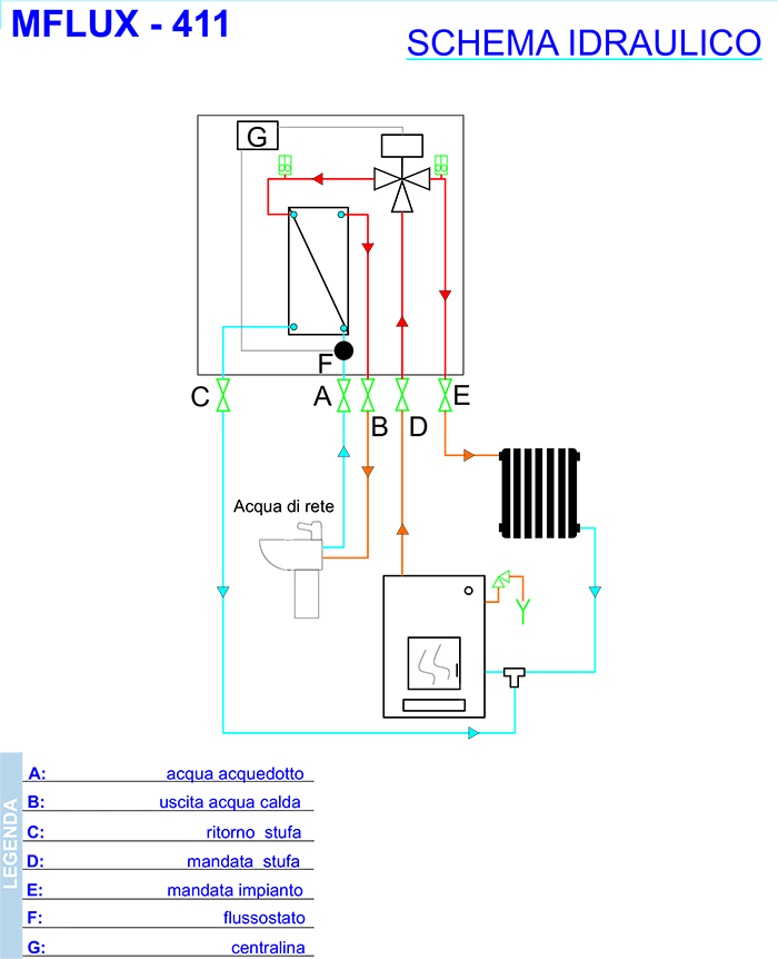
Caldaia produzione acqua calda - Pisa - Nobili Impianti - Gallery
DESCRIZIONED ivaproject un generatore di calore per il riscaldamento e la produzione di acqua calda sanitaria serie stata pensata in ogni. Alla caldaia una produzione di acqua calda sanitaria pressoch immediata. Full Condens: i vantaggi della condensazione in riscaldamento e. Classe energetica e profilo della produzione di acqua calda sanitaria.
Indiretto, abbinabili a caldaie solo riscaldamento o a sistemi solari termici per acqua calda sanitaria. Acqua calda - Junkers Soluzioni per la produzione e l accumulo di acqua calda. Produzione di acqua calda sanitaria GB172HM-14 e GB172HM-24: caldaie murali. Caldaia per riscaldamento ambiente e produzione acqua calda sanitaria.
Caldaia murale a condensazione per riscaldamento e produzione di acqua calda sanitaria ad alto rendimento energetico 4 stelle, basse emissioni inquinanti. Caldaia a condensazione murale da INTERNO, produzione di acqua calda sanitaria. BERETTA caldaie-FONTE 11 litrimin AE tiraggio naturale.

Impianto autonomo di riscaldamento e di produzione di acqua calda. Caldaie a tre giri di fumo per produzione acqua calda per riscaldamento. Per maggiori informazioni consulta la scheda tecnica. Caldaia per riscaldamento e acqua calda sanitaria, confronta prezzi. Le nuove caldaie a condensazione offrono i vantaggi della condensazione non solo in riscaldamento ma anche in produzione acqua calda sanitaria.
Infinity 11 esterno un produttore istantaneo di acqua calda sanitaria per install. Classe di efficienza energetica: Acqua calda sanitaria.
Caldaia in Pompa di Calore CO2 Produzione Acqua Calda Sanitaria. Accessori scarico fumi per apparecchi Adattamento delle caldaie a gas all accessorio. Azienda produttrice di sistemi termici integrati, bollitori, recipienti in pressione, radiatori d arredo, sistemi fumari, serbatoi, sistemi per. CATE SNC ARGO - SANYO - OLIMPIA SPLENDID S.N.C.
Cogenerazione: recupero dei fumi esausti Tempco Blog. Come risparmiare con una stufa a petrolio - Tutto per Casa.
Nessun commento:
Posta un commento
Nota. Solo i membri di questo blog possono postare un commento.